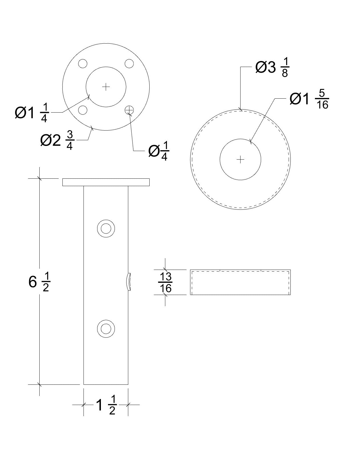
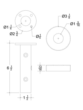
Iron Newel Mounting Kit RD-NMK100 - Round 1-3/16"
Iron Newel Mounting Kit RD-NMK100 - Round 1-3/16"
Satin Black
JMP Wood Carteret
1100 Milik Street
Carteret NJ 07008
United States
- For mounting 1-3/16" round iron newel posts
- Includes mounting shaft, collar and screws



























