

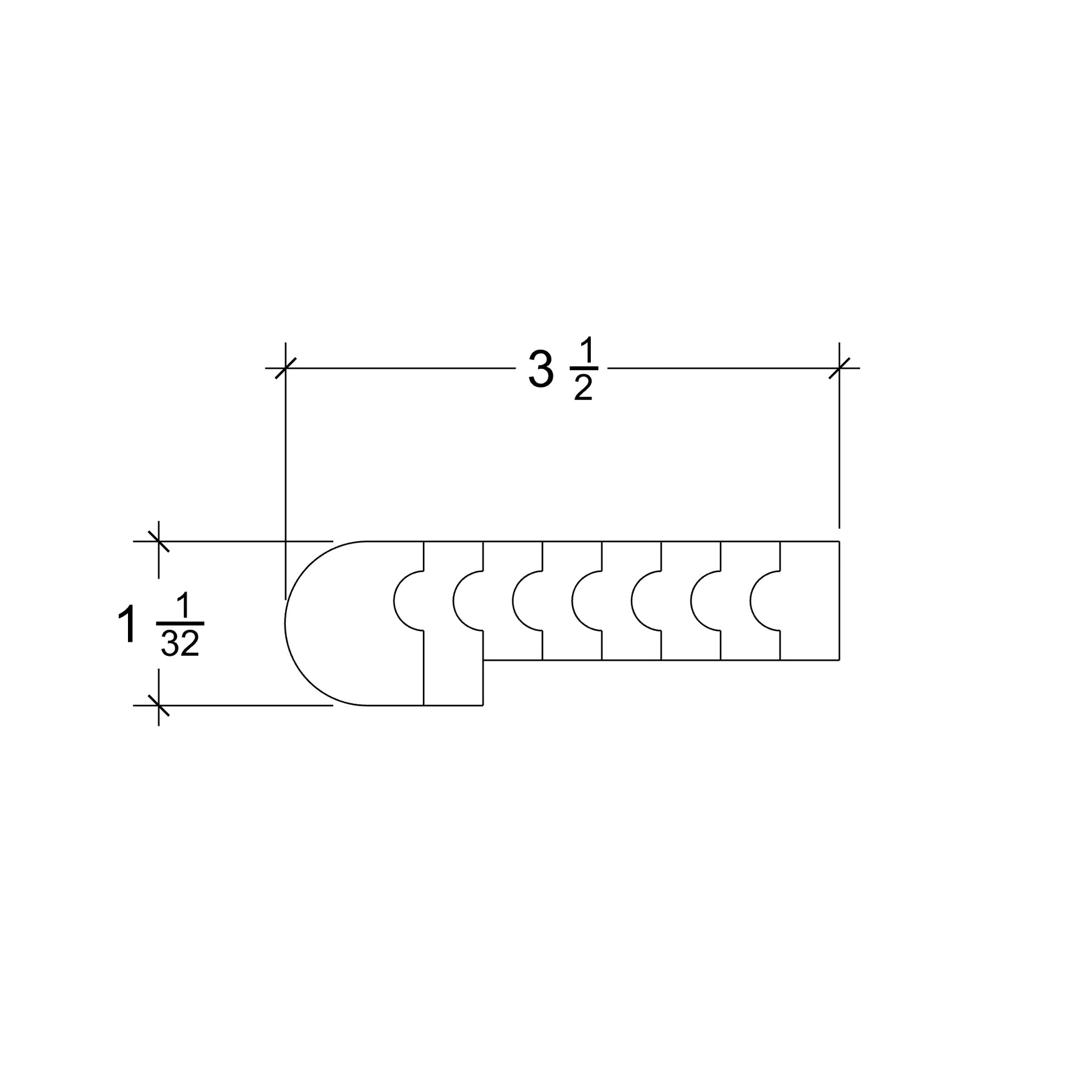
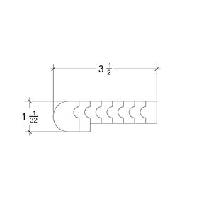
Bending Landing Tread 8093B (3-1/2")
Size
Bending Landing Tread 8093B (3-1/2")
6' / Red Oak
JMP Wood Carteret
1100 Milik Street
Carteret NJ 07008
United States
- 3-1/2" bullnose bendable landing tread
Note: Landing treads over 8 feet require LTL freight shipping.